搜索
检测感应、测量
计量学、实验室设备
机器人、自动化、工业信息技术
电学、电子和光学
电力传动、机械部件
液动、气动
材料、工具和零件
工具机
生产机械
工业机器和设备
包装、搬运和物流
卫生、安全和环境
建筑、工程
测温度和湿度仪表
测流量仪表、测压力仪表、测液位仪表
位置、速度、加速度测量仪器
力测量
光学测量、声学测量仪表
测电仪表
计量和测试仪器
分析仪器
检查设备、监视设备
实验室设备
工业机器人
服务机器人
信息技术:硬件
信息技术:软件
自动化
能源生产和分配
供电系统
开关、继电器
电缆,接头和外壳
电子元件
光学元件
发动机、发动机控制
轴承、直线导轨
机械传动
执行器、定位器
泵
压缩机
阀门、电动阀
液压执行器、气动执行器
过滤器、分离器
管道、管件、接头
半成品
润滑剂
精整机
切割工具
机床
机床配件
纺织机
塑料加工
切削机
成型机
其他生产机器
农产食品加工机械
表面处理
打印,标识与雕刻
焊接,铆接和粘接
熔炉与热处理
混合与剂量
热交换与冷藏
包装机、打包机
输送机
运输和提升
存储
空气处理与噪音管理
水处理
废料处理
个人防护设备
机器和现场安全
工业建筑设备
浏览厂商
请登录
免费注册
首页
分析仪器
液体分析仪:营养物质(NO3、PO4、NH4...)
液体分析仪:营养物质(NO3、PO4、NH4...)
关注该品类
分类:
色谱分析仪
空气质量监测仪
热分析仪:DSC、TGA、TMA、热传导分析仪
气体传感器
pH 值测量仪
氧化氮(NOx)分析仪
滴定仪
原子吸收分光计、原子荧光分光计
气体检测控制中心
其他材料性质分析仪器
二氧化碳分析仪
氢(H2)分析仪
热分析仪:量热仪
X 射线荧光分光计、XRF 分析仪
液体分析电极
氧化硫(SOx)和硫化物分析仪
色谱分析配件
一氧化碳分析仪
燃料和燃油分析仪
液体分析仪:消毒(氯、臭氧...)
光谱荧光分光计、过滤荧光计
溶解氨分析仪
氧(O2)分析仪
粒度分析仪
浊度计
气体采样探头
液体分析仪:营养物质(NO3、PO4、NH4...)
气体传感器和分析仪校准仪
液体分析探头、传感器和控制器
伽玛射线分光计、闪烁计数器
电子分光计:AES、XPS、EELS...
其他分光仪:NMR...
液体分析仪:总量参数(DOC、BOD、COD...)
FT-IR、拉曼式分光计
气体变送器
X 射线衍射仪:XRD、SAXS、WAXS
厂商:
全部
深圳市天工机械制造技术开发有限公司
PDF
Ecotter PF-25系列电感式接近开关说明书
2017-03-15
64
PDF
Ecotter PY-M18系列电感式接近开关说明书
2017-03-15
45
PDF
Ecotter PY-M8系列电感式接近开关产品说明书
2017-03-15
70
PDF
Ecotter PF-18系列电感式接近开关说明书
2017-03-15
105
PDF
Ecotter PY-M12系列电感式接近开关说明书
2017-03-15
64
PDF
Ecotter PF-11系列电感式接近开关说明书
2017-03-15
168
PDF
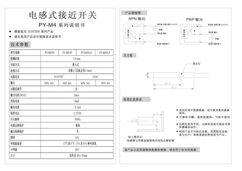
Ecotter PY-M4系列电感式接近开关说明书
2017-03-15
53
没有更多内容
厂商入驻
咨询热线: 400-926-4236
Email: hello@ivymobi.com
微信扫一扫,手机找样本
© 2026 样本库 京ICP备17018997号-1
想要解决产品营销和销售难题?
不妨试试
了解更多