搜索
检测感应、测量
计量学、实验室设备
机器人、自动化、工业信息技术
电学、电子和光学
电力传动、机械部件
液动、气动
材料、工具和零件
工具机
生产机械
工业机器和设备
包装、搬运和物流
卫生、安全和环境
建筑、工程
测温度和湿度仪表
测流量仪表、测压力仪表、测液位仪表
位置、速度、加速度测量仪器
力测量
光学测量、声学测量仪表
测电仪表
计量和测试仪器
分析仪器
检查设备、监视设备
实验室设备
工业机器人
服务机器人
信息技术:硬件
信息技术:软件
自动化
能源生产和分配
供电系统
开关、继电器
电缆,接头和外壳
电子元件
光学元件
发动机、发动机控制
轴承、直线导轨
机械传动
执行器、定位器
泵
压缩机
阀门、电动阀
液压执行器、气动执行器
过滤器、分离器
管道、管件、接头
半成品
润滑剂
精整机
切割工具
机床
机床配件
纺织机
塑料加工
切削机
成型机
其他生产机器
农产食品加工机械
表面处理
打印,标识与雕刻
焊接,铆接和粘接
熔炉与热处理
混合与剂量
热交换与冷藏
包装机、打包机
输送机
运输和提升
存储
空气处理与噪音管理
水处理
废料处理
个人防护设备
机器和现场安全
工业建筑设备
浏览厂商
请登录
免费注册
首页
测电仪表
绝缘测量仪器、介电强度计
绝缘测量仪器、介电强度计
关注该品类
分类:
电子负载设备
绝缘测量仪器、介电强度计
光谱分析仪、信号分析仪
故障探测器、故障定位器
继电器测试仪、断路开关测试仪
AC 网络分析仪
电流测量仪器
电压测量仪器
任意波形发生器
电阻测量仪器、欧姆表
逻辑分析仪、通信网络分析仪
电缆测试仪
万用表
电容测量仪器、电容表
LRC测量仪器
电力参数校准仪
阻抗测量仪器
其他电力参数测量仪器
信号发生器卡
信号发生器、函数发生器
静电场测量仪器
厂商:
全部
库伯勒(北京)自动化设备贸易有限公司
北京平和创业科技发展有限公司
佳乐商贸 (中国)有限公司
重庆宇通仪器仪表有限公司
PDF
PHD-11DZ-*1检测端安全栅 样本册
2017-03-15
82
PDF
PHD-11DT-*1检测端安全栅 样本册
2017-03-15
85
PDF
PHD-22DZ-*1*1检测端安全栅 样本册
2017-03-15
67
PDF
PHD-12DZ-*11检测端安全栅 样本册
2017-03-15
55
PDF
库伯勒 IS40系列倾角计
2017-03-15
132
PDF
重庆宇通 M型热电阻输入信号隔离器
2017-03-15
97
PDF
佳乐DUA01,PUA01系列单相AC/DC过电压-过电流监控继电器 简明手册
2017-03-15
172
PDF
北京平和PH-35电位计信号隔离分配器
2017-03-15
76
PDF
北京平和PH-40有源隔离器
2017-03-15
72
PDF
北京平和PH-42配电隔离器(二路输入/二路输出)
2017-03-15
81
PDF
北京平和 PH-35电位计信号隔离分配器说明书
2017-03-15
72
PDF
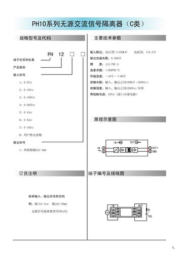
北京平和 PH-12无源交流信号隔离器(C类)说明书
2017-03-15
93
PDF
北京平和 PH-15无源热电偶信号隔离器(C类)说明书
2017-03-15
48
PDF
北京平和 PH-25电位计信号隔离器说明书
2017-03-15
85
PDF
北京平和 PH-22配电隔离器说明书
2017-03-15
71
PDF
北京平和 PH-21交流信号隔离器说明书
2017-03-15
65
PDF
北京平和 PH-23热电阻信号隔离器说明书
2017-03-15
67
PDF
北京平和 PH-14无源热电阻信号隔离器(C类)说明书
2017-03-15
70
PDF
北京平和 PH-20直流信号隔离器说明书
2017-03-15
133
PDF
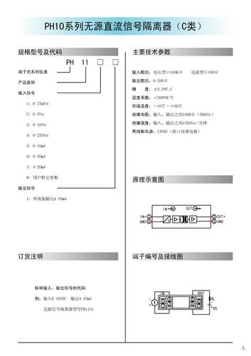
北京平和 PH-11无源直流信号隔离器(C类)说明书
2017-03-15
70
加载更多内容
厂商入驻
咨询热线: 400-926-4236
Email: hello@ivymobi.com
微信扫一扫,手机找样本
© 2026 样本库 京ICP备17018997号-1
想要解决产品营销和销售难题?
不妨试试
了解更多