搜索
检测感应、测量
计量学、实验室设备
机器人、自动化、工业信息技术
电学、电子和光学
电力传动、机械部件
液动、气动
材料、工具和零件
工具机
生产机械
工业机器和设备
包装、搬运和物流
卫生、安全和环境
建筑、工程
测温度和湿度仪表
测流量仪表、测压力仪表、测液位仪表
位置、速度、加速度测量仪器
力测量
光学测量、声学测量仪表
测电仪表
计量和测试仪器
分析仪器
检查设备、监视设备
实验室设备
工业机器人
服务机器人
信息技术:硬件
信息技术:软件
自动化
能源生产和分配
供电系统
开关、继电器
电缆,接头和外壳
电子元件
光学元件
发动机、发动机控制
轴承、直线导轨
机械传动
执行器、定位器
泵
压缩机
阀门、电动阀
液压执行器、气动执行器
过滤器、分离器
管道、管件、接头
半成品
润滑剂
精整机
切割工具
机床
机床配件
纺织机
塑料加工
切削机
成型机
其他生产机器
农产食品加工机械
表面处理
打印,标识与雕刻
焊接,铆接和粘接
熔炉与热处理
混合与剂量
热交换与冷藏
包装机、打包机
输送机
运输和提升
存储
空气处理与噪音管理
水处理
废料处理
个人防护设备
机器和现场安全
工业建筑设备
浏览厂商
请登录
免费注册
首页
开关、继电器
断路器、漏电断路器
断路器、漏电断路器
关注该品类
分类:
安全继电器、保护继电器
开关:舌簧开关
开关:微动开关、微型开关...
接口继电器、辅助继电器
开关:旋钮式开关、编码开关
安全栅
保险丝、熔丝
中压和高压断路开关
防过压保护:三级避雷器、浪涌抑制器
电源切断开关
开关:触控式、霍尔效应开关、压电式开关
断路器、漏电断路器
防过压保护:通信网络避雷装置
功率继电器、接触器式继电器
开关:按钮开关、控制开关
开关:行程开关、保险开关...
瞬时机电继电器:单稳态、双稳态...
延时继电器、时间继电器
开关:摆动开关、杠杆开关、导轨式开关
1 型避雷器
厂商:
全部
上海神飞能源科技有限公司
PDF
山宇SJR2一用一备控制图-控制回路
2017-03-15
106
PDF
山宇软起动SJR2二用一备控制图-控制回路
2017-03-15
179
PDF
山宇SJR2一用一备(拖一台电机)控制图
2017-03-15
38
PDF
山宇软起动SJR2二用一备(加压泵)控制图-控制回路
2017-03-15
66
PDF
山宇SJR2直接起动和软起动控制图
2017-03-15
30
PDF
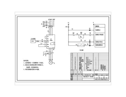
山宇SY6000变频与工频切换控制图
2017-03-15
93
PDF
山宇SJR2一用一备(加压泵)控制图-控制回路
2017-03-15
129
PDF
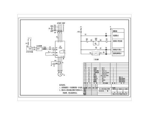
山宇变频器SY6000远传压力表反馈的恒压供水(一拖一)控制图
2017-03-15
57
PDF
山宇变频器SY6000压力变送器反馈的恒压供水(一拖一)控制图
2017-03-15
38
PDF
山宇变频器SY6000压力变送器反馈(变频器内置DC24V)的恒压供水(一拖一)控制图
2017-03-15
46
PDF
山宇SY6000外接电位器调速控制图
2017-03-15
112
PDF
SJR2手动及自动(PLC)控制图
2017-03-15
54
PDF
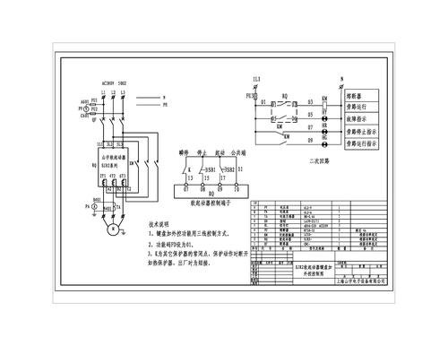
山宇软起动SJR2软起动键盘操作控制图
2017-03-15
47
PDF
山宇SJR2一拖三(手动)控制图-控制回路
2017-03-15
41
PDF
山宇SJR2一拖三(自动切换)控制图-控制回路
2017-03-15
52
PDF
软起动SJR2一拖二(手动)控制图
2017-03-15
41
PDF
软起动器SJR2一拖N(手动)控制图-控制回路
2017-03-15
53
PDF
上海山宇SJR2软起动器端子加远控控制图
2017-03-15
54
PDF
上海山宇SJR2软起动器正反转控制图
2017-03-15
44
PDF
山宇软起动SJR2软起动键盘加外控控制图
2017-03-15
55
加载更多内容
厂商入驻
咨询热线: 400-926-4236
Email: hello@ivymobi.com
微信扫一扫,手机找样本
© 2026 样本库 京ICP备17018997号-1
想要解决产品营销和销售难题?
不妨试试
了解更多